8月29日,马斯克公布了最新的Neuralink设备LINK V0.9,这是一款可以移植在人的头骨中、支持无线充电的智能脑机接口芯片,在自动化手术机器人的帮助下半个小时就可以安装完毕。
芯片中包含多个电极,电极能够记录大脑活动并刺激大脑的神经元,动物的大脑通过神经元可以进行信息的输入输出,而NeuralLink就是想与神经元建立起微观层面上的电极接口,这些电极可以读取神经元的电信号。
Neuralink将人脑与计算机系统融合在一起,从短期看来,脑机接口的实现将有助于治疗脑损伤和创伤,例如帕金森氏症和阿尔茨海默氏症等复杂的神经系统疾病。而长期来看,Neuralink的愿景是让人脑变得更加强大,实现“人类改造计划”。
而Neuralink正是马斯克领导的初创公司,为了支撑脑机接口芯片,其在19年9月19日申请了一项名为“用于神经数据的芯片网络”的发明专利(公开号:US 2019/0286592 A1),发明人为Neuralink公司。
根据该专利目前公开的资料,让我们一起来看看这项脑机接口芯片技术吧。
如上图,为该专利中发明的多芯片体系结构,系统中包含多个网络芯片102,每个芯片都可以从大脑中接收信号,120为芯片的电极,电极可以捕捉神经元中间传递的电信号,并且经过芯片传递给服务器,从这个过程中我们可以推断出芯片具有信息收集、处理以及无线通信能力。
这些芯片可以覆盖大脑的半球或者整个大脑,例如芯片可以与每个大脑半球80个芯片串联排列,即每个大脑总共包括160个芯片,而每个芯片各自都包含多个电极,电极植入脑中用于感知神经信号。
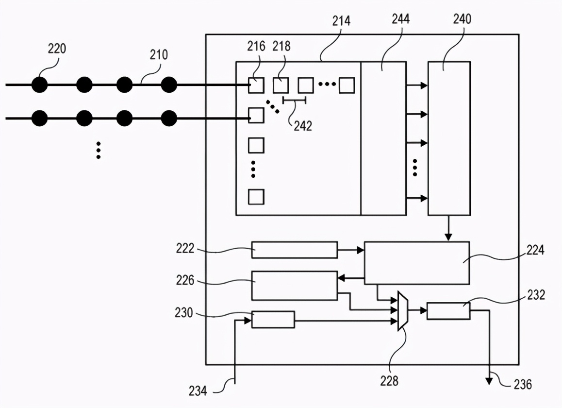
如上图,为这种脑机芯片的芯片结构以及数据流示意图,芯片包括来自上一个芯片的输入234,该输入和输出236用于封装芯片之间的数据传输,芯片200包括放大器阵列214、数模转换器244、多路复用器240、控制器224以及配置电路222。
芯片内的数据流开始提供电源给芯片200,而芯片上的电极可以检测大脑内部或者来自大脑本身的神经元电压读书,并通过单个放大器将模拟电压信号传递到芯片中,每个放大器均与引线210相连,放大器阵列背布置在8行8列的网络中,因此在一个8*8的栅极中有64个排列放大器。
最后,我们来看看该系统中接收的数据包体系结构,如上图所示,其中420为数据包结构,422为定时器,在其中一个数据分组中,定时器位于信息包的报头402中,数据包中的数据404包括来自每个放大器的数据406、408和410等。
以上就是Neuralink发明的脑机接口芯片,人类对脑机接口的研究已经超过了40年的历史,自从20世纪90年代中期以来,从实验中获得的此类知识显著增长。而马斯克的这项技术真的将脑际接口技术带到了我们的面前,当人类可以借助于信息技术力量来使得自身的能力更加强大时,你会希望用它来做什么呢?

2020-10-17 15:59:13